Loading...
EA426CR-226 6mmx 6mm ニードルバルブ
- 商品コード:
- E05306
- メーカー:
- JANコード:
- 4548745767148
- 税率:
- 10%
- 品番:
- EA426CR-226
- 学校版カタログ
- 非掲載
- 幼保版カタログ
- 非掲載
- 商品詳細
-
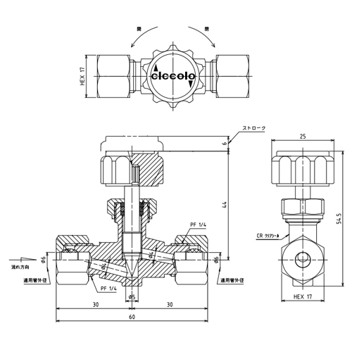
●メーカー…アソー(ASOH)●型番…CR-2206●銅管外径…6×6mm●使用圧力…0.98MPa●使用温度…-10~80℃(凍結箇所は除く)●使用流体…空気・水・油●材質…真鍮(クロムメッキ仕上げ)●銅管用リング型のストレートタイプ(両口)●一次側、二次側共に銅管などをリングスリーブで簡単に取り付けができるタイプの、小型ニードルバルブです。●参考在庫数・商品詳細・サイズ情報はメーカー(参考)URLからもご確認いただけます。 ●最小出荷単位: 1
- 本体サイズ
- お手数をお掛けいたしますが、下記参考URLよりご確認ください。
- 個装サイズ
- お手数をお掛けいたしますが、下記参考URLよりご確認ください。
メーカー希望小売価格
2,400
円(税抜)
販売価格
2,640
円(税込)
2,400 円 (税抜)













