Loading...
EA949HS-69 M12x35mm/58mm[丸形]防振ゴム
- 商品コード:
- E07940
- メーカー:
- JANコード:
- 4548745022186
- 税率:
- 10%
- 品番:
- EA949HS-69
- 学校版カタログ
- 非掲載
- 幼保版カタログ
- 非掲載
- 商品詳細
-
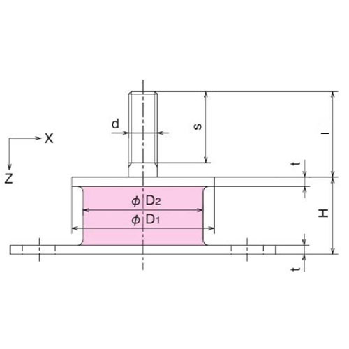
●ゴム材質…天然ゴム●小形で比較的大きいばね定数が得られるので大きい荷重を支持できます。●取付方向によって、圧縮方向、せん断方向のほか傾斜方向にも使用でき、広い応用性をもっています。●高さ…58mm●ねじサイズ…M12×35mm●下方向支持荷重…1400N●下方向ばね定数…270N/mm●参考在庫数・商品詳細・サイズ情報はメーカー(参考)URLからもご確認いただけます。 ●最小出荷単位: 1
- 本体サイズ
- お手数をお掛けいたしますが、下記参考URLよりご確認ください。
- 個装サイズ
- お手数をお掛けいたしますが、下記参考URLよりご確認ください。
メーカー希望小売価格
2,360
円(税抜)
販売価格
2,596
円(税込)
2,360 円 (税抜)

![EA949HS-69 M12x35mm/58mm[丸形]防振ゴム](https://d11w49g8ylcixs.cloudfront.net/upload/save_image/200/E07940_01_260323.jpg)