Loading...
EA984DJ-0.5 0.5tonイ-ジ-クランプ(0-16mm)
- 商品コード:
- E09374
- メーカー:
- JANコード:
- 4518340621824
- 税率:
- 10%
- 品番:
- EA984DJ-0.5
- 学校版カタログ
- 非掲載
- 幼保版カタログ
- 非掲載
- 商品詳細
-
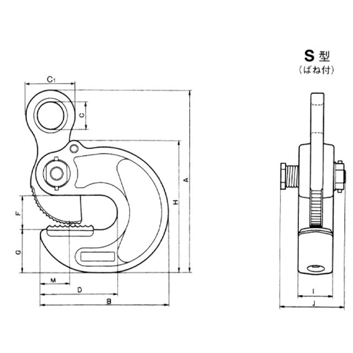
●メーカー…三木ネツレン●型番…B2108●商品名…EASY-S型●使用荷重…0.5t●クランプ範囲(mm)…0~16●全長(mm)…128●重量(kg)…1.2●アングル・チャンネル・アイビームの専用吊具●カムにばね付で取付の際に支える手間がなく、吊作業の能率が向上します。●参考在庫数・商品詳細・サイズ情報はメーカー(参考)URLからもご確認いただけます。 ●最小出荷単位: 1
- 本体サイズ
- お手数をお掛けいたしますが、下記参考URLよりご確認ください。
- 個装サイズ
- お手数をお掛けいたしますが、下記参考URLよりご確認ください。
メーカー希望小売価格
24,100
円(税抜)
販売価格
26,510
円(税込)
24,100 円 (税抜)



