Loading...
EA638M-13 21x70mm/28mmロングアイ
- 商品コード:
- E36378
- メーカー:
- JANコード:
- 4518340845473
- 税率:
- 10%
- 品番:
- EA638M-13
- 学校版カタログ
- 非掲載
- 幼保版カタログ
- 非掲載
- 商品詳細
-
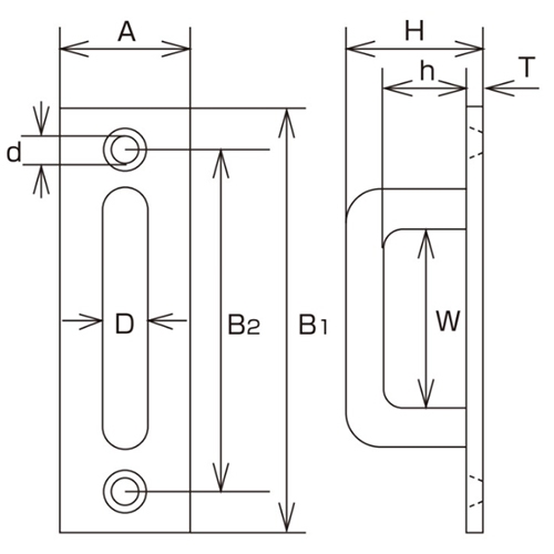
●サイズ(mm)…D:7、A:21、B1:70、B2:56.5、H:23、h:14、W:28、d:4.2、T:2●口幅…28mm●使用荷重…25kg●材質…SUS304●穴径…4.2mm●重量…40g●取付ねじ無し●参考在庫数・商品詳細・サイズ情報はメーカー(参考)URLからもご確認いただけます。 ●最小出荷単位: 1
- 本体サイズ
- お手数をお掛けいたしますが、下記参考URLよりご確認ください。
- 個装サイズ
- お手数をお掛けいたしますが、下記参考URLよりご確認ください。
メーカー希望小売価格
1,070
円(税抜)
販売価格
1,177
円(税込)
1,070 円 (税抜)













