Loading...
EA638M-14 24x80mm/34mmロングアイ
- 商品コード:
- E36379
- メーカー:
- JANコード:
- 4518340845480
- 税率:
- 10%
- 品番:
- EA638M-14
- 学校版カタログ
- 非掲載
- 幼保版カタログ
- 非掲載
- 商品詳細
-
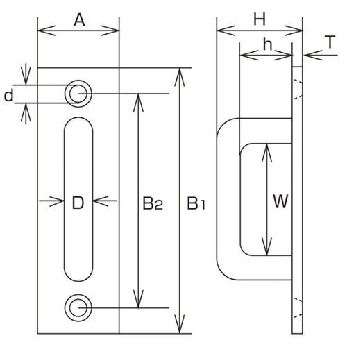
●サイズ(mm)…D:8、A:24、B1:80、B2:65、H:25、h:14、W:34、d:5.2、T:3●口幅…34mm●使用荷重…30kg●材質…SUS304●穴径…5.2mm●重量…68g●取付ねじ無し●参考在庫数・商品詳細・サイズ情報はメーカー(参考)URLからもご確認いただけます。 ●最小出荷単位: 1
- 本体サイズ
- お手数をお掛けいたしますが、下記参考URLよりご確認ください。
- 個装サイズ
- お手数をお掛けいたしますが、下記参考URLよりご確認ください。
メーカー希望小売価格
1,300
円(税抜)
販売価格
1,430
円(税込)
1,300 円 (税抜)













