Loading...
EA638M-15 27x100mm/48mmロングアイ
- 商品コード:
- E36380
- メーカー:
- JANコード:
- 4518340845497
- 税率:
- 10%
- 品番:
- EA638M-15
- 学校版カタログ
- 非掲載
- 幼保版カタログ
- 非掲載
- 商品詳細
-
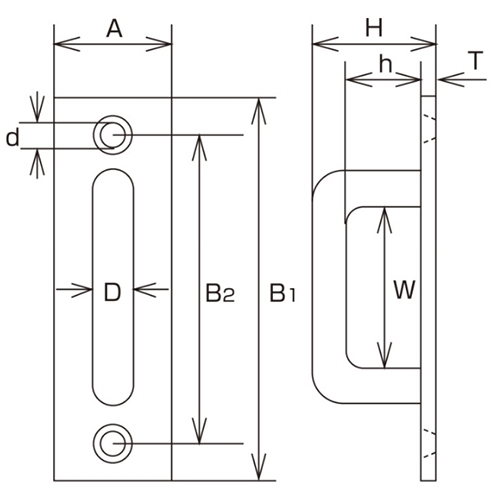
●サイズ(mm)…D:9、A:27、B1:100、B2:83、H:27、h:15、W:48、d:6、T:3●口幅…48mm●使用荷重…60kg●材質…SUS304●穴径…6mm●重量…101g●取付ねじ無し●参考在庫数・商品詳細・サイズ情報はメーカー(参考)URLからもご確認いただけます。 ●最小出荷単位: 1
- 本体サイズ
- お手数をお掛けいたしますが、下記参考URLよりご確認ください。
- 個装サイズ
- お手数をお掛けいたしますが、下記参考URLよりご確認ください。
メーカー希望小売価格
1,740
円(税抜)
販売価格
1,914
円(税込)
1,740 円 (税抜)










