Loading...
EA951DS-51 34mmナットネジ付ヒ-トン(2本)
- 商品コード:
- E37607
- メーカー:
- JANコード:
- 4518340475281
- 税率:
- 10%
- 品番:
- EA951DS-51
- 学校版カタログ
- 非掲載
- 幼保版カタログ
- 非掲載
- 商品詳細
-
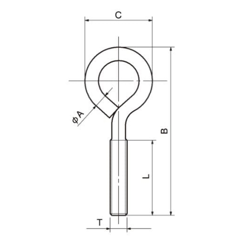
●サイズ…φ2.52×34mm●ねじサイズ…M3●許容荷重…9kg●材質…ステンレス(SUS304)●仕上…化学研磨仕上げ●入数…2個●サイズ(mm)…A:20、B:14、C:13●参考在庫数・商品詳細・サイズ情報はメーカー(参考)URLからもご確認いただけます。 ●最小出荷単位: 1
- 本体サイズ
- お手数をお掛けいたしますが、下記参考URLよりご確認ください。
- 個装サイズ
- お手数をお掛けいたしますが、下記参考URLよりご確認ください。
メーカー希望小売価格
140
円(税抜)
販売価格
154
円(税込)
140 円 (税抜)













