Loading...
EA970A-13 25x25mm/1.82m(3号)ガイドレ-ル
- 商品コード:
- E38631
- メーカー:
- JANコード:
- 4548745784176
- 税率:
- 10%
- 品番:
- EA970A-13
- 学校版カタログ
- 非掲載
- 幼保版カタログ
- 非掲載
- 商品詳細
-
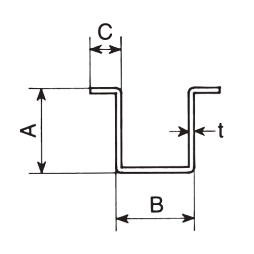
●メーカー…ヤボシ●型番…3GR18●材質…溶融亜鉛メッキ鋼板●呼称…3号●全長…1.82m●サイズ(mm)…A:25、B:25、C:12、t:1.2●重量…1.517kg●用途…ドアハンガーの下部用レール●同呼称サイズ同士が適合します。●参考在庫数・商品詳細・サイズ情報はメーカー(参考)URLからもご確認いただけます。 ●最小出荷単位: 1
- 本体サイズ
- お手数をお掛けいたしますが、下記参考URLよりご確認ください。
- 個装サイズ
- お手数をお掛けいたしますが、下記参考URLよりご確認ください。
メーカー希望小売価格
2,300
円(税抜)
販売価格
2,530
円(税込)
2,300 円 (税抜)













