Loading...
EA970BE-3B 3号レ-ルトロリ-単車シャックル
- 商品コード:
- E38650
- メーカー:
- JANコード:
- 4548745439564
- 税率:
- 10%
- 品番:
- EA970BE-3B
- 学校版カタログ
- 非掲載
- 幼保版カタログ
- 非掲載
- 商品詳細
-
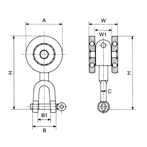
●メーカー…ヤボシ●型番…3TNBESH●車材質…スチール(普通鋼)●シャックル内寸…16×25mm●呼称…3号●サイズ…50×39×101(H)mm●耐荷重…37.5kg●サイズ(mm)…A:50、B:33、B1:16、C:8、H:101、W:39、W1:23●重量…349g●本体材質…スチール(SPHC)●シャックルは360°回転します。●ベアリング入りで耐久性に優れ円滑に回転します。●クロメートメッキ仕上げ●参考在庫数・商品詳細・サイズ情報はメーカー(参考)URLからもご確認いただけます。 ●最小出荷単位: 1
- 本体サイズ
- お手数をお掛けいたしますが、下記参考URLよりご確認ください。
- 個装サイズ
- お手数をお掛けいたしますが、下記参考URLよりご確認ください。
メーカー希望小売価格
3,720
円(税抜)
販売価格
4,092
円(税込)
3,720 円 (税抜)













