Loading...
EA970CC-13 3号レ-ル用取付金具横継ぎ受け
- 商品コード:
- E38672
- メーカー:
- JANコード:
- 4548745439724
- 税率:
- 10%
- 品番:
- EA970CC-13
- 学校版カタログ
- 非掲載
- 幼保版カタログ
- 非掲載
- 商品詳細
-
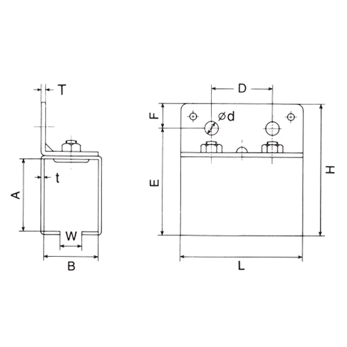
●メーカー…ヤボシ●型番…3YT1●呼称…3号●サイズ…50×94×119(H)mm●取付穴径…φ10mm●材質…スチール(SPHC)●重量…600g●壁面取付用●トラックレールのジョイント部分に使用します。●参考在庫数・商品詳細・サイズ情報はメーカー(参考)URLからもご確認いただけます。 ●最小出荷単位: 1
- 本体サイズ
- お手数をお掛けいたしますが、下記参考URLよりご確認ください。
- 個装サイズ
- お手数をお掛けいたしますが、下記参考URLよりご確認ください。
メーカー希望小売価格
1,340
円(税抜)
販売価格
1,474
円(税込)
1,340 円 (税抜)













