Loading...
M16アイナット(高張力合金鋼製)
- 商品コード:
- EC8187
- メーカー:
- JANコード:
- 4550061224830
- 税率:
- 10%
- 品番:
- EA638ST-5
- 学校版カタログ
- 非掲載
- 幼保版カタログ
- 非掲載
- 商品詳細
-
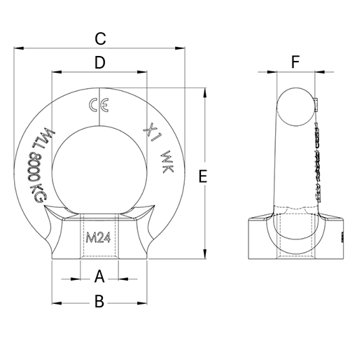
●使用荷重…4.0 t●内径…35mm●線径…14mm●ねじ径…M16●重量…280g●材質…高張力合金鋼●並目ねじ●参考在庫数・商品詳細・サイズ情報はメーカー(参考)URLからもご確認いただけます。 ●最小出荷単位: 1
- 本体サイズ
- お手数をお掛けいたしますが、下記参考URLよりご確認ください。
- 個装サイズ
- お手数をお掛けいたしますが、下記参考URLよりご確認ください。
メーカー希望小売価格
3,600
円(税抜)
販売価格
3,960
円(税込)
3,600 円 (税抜)



