Loading...
1/2DR/T70[Torx]ビットソケット イジリ止付
- 商品コード:
- EF4460
- メーカー:
- JANコード:
- 4550061492406
- 税率:
- 10%
- 品番:
- EA618KW-270
- 学校版カタログ
- 非掲載
- 幼保版カタログ
- 非掲載
- 商品詳細
-
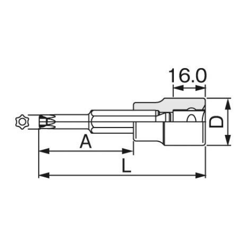
●メーカー…TONE●型番…4TX-T70H●サイズ…T70●全長(mm)…74●サイズ(mm)…D:25A:36●差込角…1/2’’●重量(g)…275●イジリ止付●トルクスねじの締付け・緩め作業に使用します。●参考在庫数・商品詳細・サイズ情報はメーカー(参考)URLからもご確認いただけます。 ●最小出荷単位: 1
- 本体サイズ
- お手数をお掛けいたしますが、下記参考URLよりご確認ください。
- 個装サイズ
- お手数をお掛けいたしますが、下記参考URLよりご確認ください。
メーカー希望小売価格
1,790
円(税抜)
販売価格
1,969
円(税込)
1,790 円 (税抜)








![1/2DR/T70[Torx]ビットソケット イジリ止付](https://d11w49g8ylcixs.cloudfront.net/upload/save_image/200/EF4460_01_260113.jpg)