Loading...
[6318]深溝玉軸受
- 商品コード:
- EG0833
- メーカー:
- JANコード:
- 4550061583616
- 税率:
- 10%
- 品番:
- EA966EA-318
- 学校版カタログ
- 非掲載
- 幼保版カタログ
- 非掲載
- 商品詳細
-
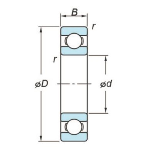
●サイズ(mm)…d:90 D:190 B:43●呼び番号…6318(CM)●材質…高炭素クロム軸受鋼●用途…工作機械主軸、高周波モータ、ガスタービン、遠心分離機、小型自動車前輪、デフピニオン軸●開放形●参考在庫数・商品詳細・サイズ情報はメーカー(参考)URLからもご確認いただけます。 ●最小出荷単位: 1
- 本体サイズ
- お手数をお掛けいたしますが、下記参考URLよりご確認ください。
- 個装サイズ
- お手数をお掛けいたしますが、下記参考URLよりご確認ください。
メーカー希望小売価格
16,900
円(税抜)
販売価格
18,590
円(税込)
16,900 円 (税抜)






![[6318]深溝玉軸受](https://d11w49g8ylcixs.cloudfront.net/upload/save_image/200/EG0833_01_231027.jpg)