Loading...
20x22mm/3.64m2号ガイドレールスチール製
- 商品コード:
- EG1498
- メーカー:
- JANコード:
- 4550061605295
- 税率:
- 10%
- 品番:
- EA970A-32
- 学校版カタログ
- 非掲載
- 幼保版カタログ
- 非掲載
- 商品詳細
-
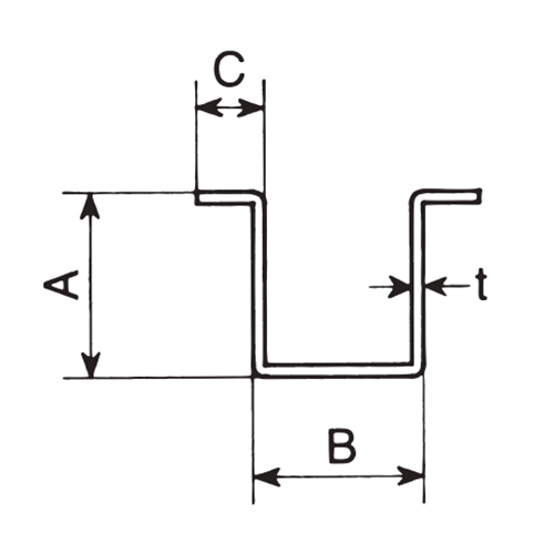
●メーカー…ヤボシ●型番…2GR36●材質…溶融亜鉛メッキ鋼板●呼称…2号●全長…3.64m●サイズ(mm)…A:22、B:20、C:8、t:1.2●重量…2.48kg●用途…ドアハンガーの下部用レール●同呼称サイズ同士が適合します。●参考在庫数・商品詳細・サイズ情報はメーカー(参考)URLからもご確認いただけます。 ●最小出荷単位: 1
- 本体サイズ
- お手数をお掛けいたしますが、下記参考URLよりご確認ください。
- 個装サイズ
- お手数をお掛けいたしますが、下記参考URLよりご確認ください。
メーカー希望小売価格
4,450
円(税抜)
販売価格
4,895
円(税込)
4,450 円 (税抜)










![EA471EH-25A #25チ-ズ[HI-VP]](https://d11w49g8ylcixs.cloudfront.net/upload/save_image/200/E73889_01_231006.jpg)


