Loading...
30x34mm/3.64m4号ガイドレールスチール製
- 商品コード:
- EG1500
- メーカー:
- JANコード:
- 4550061568873
- 税率:
- 10%
- 品番:
- EA970A-34
- 学校版カタログ
- 非掲載
- 幼保版カタログ
- 非掲載
- 商品詳細
-
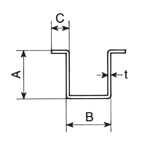
●メーカー…ヤボシ●型番…4GR36●材質…溶融亜鉛メッキ鋼板●呼称…4号●全長…3.64m●サイズ(mm)…A:34、B:30、C:13、t:1.6●重量…5.20kg●用途…ドアハンガーの下部用レール●同呼称サイズ同士が適合します。●参考在庫数・商品詳細・サイズ情報はメーカー(参考)URLからもご確認いただけます。 ●最小出荷単位: 1
- 本体サイズ
- お手数をお掛けいたしますが、下記参考URLよりご確認ください。
- 個装サイズ
- お手数をお掛けいたしますが、下記参考URLよりご確認ください。
メーカー希望小売価格
9,220
円(税抜)
販売価格
10,142
円(税込)
9,220 円 (税抜)













