Loading...
47x57mm/1.82m3号トラックレールスチール
- 商品コード:
- EG1502
- メーカー:
- JANコード:
- 4550061524831
- 税率:
- 10%
- 品番:
- EA970A-103
- 学校版カタログ
- 非掲載
- 幼保版カタログ
- 非掲載
- 商品詳細
-
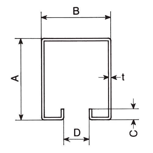
●メーカー…ヤボシ●型番…3TR18●呼称…3号●差込幅…16mm●サイズ(mm)…A:57、B:47、C:6、D:16、t:1.6●全長…1.82m●材質…溶融亜鉛メッキ鋼板●耐荷重…扉1枚あたり、複車2個使用の場合:150(115)kg単車2個使用の場合:75(55)kg※( )内はウレタン車使用時※取付金具のピッチ厳守●取付金具ピッチ…450~500mm●参考在庫数・商品詳細・サイズ情報はメーカー(参考)URLからもご確認いただけます。 ●最小出荷単位: 1
- 本体サイズ
- お手数をお掛けいたしますが、下記参考URLよりご確認ください。
- 個装サイズ
- お手数をお掛けいたしますが、下記参考URLよりご確認ください。
メーカー希望小売価格
4,570
円(税抜)
販売価格
5,027
円(税込)
4,570 円 (税抜)













