Loading...
75x56mm/3.64m4号トラックレールスチール
- 商品コード:
- EG1509
- メーカー:
- JANコード:
- 4550061525326
- 税率:
- 10%
- 品番:
- EA970A-124
- 学校版カタログ
- 非掲載
- 幼保版カタログ
- 非掲載
- 商品詳細
-
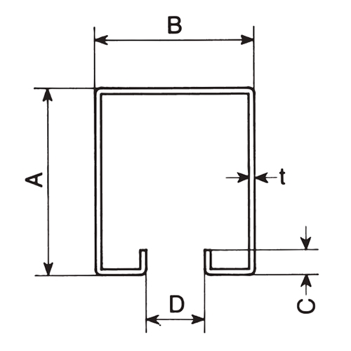
●メーカー…ヤボシ●型番…4TR36●呼称…4号●差込幅…16mm●サイズ(mm)…A:75、B:56、C:8、D:16、t:2.0●全長…3.64m●材質…溶融亜鉛メッキ鋼板(両面高品質ウレタン塗装仕上げ)●耐荷重…扉1枚あたり、複車2個使用の場合:300kg単車2個使用の場合:180kg※取付金具のピッチ厳守●取付金具ピッチ…450~500mm●参考在庫数・商品詳細・サイズ情報はメーカー(参考)URLからもご確認いただけます。 ●最小出荷単位: 1
- 本体サイズ
- お手数をお掛けいたしますが、下記参考URLよりご確認ください。
- 個装サイズ
- お手数をお掛けいたしますが、下記参考URLよりご確認ください。
メーカー希望小売価格
18,600
円(税抜)
販売価格
20,460
円(税込)
18,600 円 (税抜)













