Loading...
4号レール用トロリー単車
- 商品コード:
- EG1513
- メーカー:
- JANコード:
- 4550061486382
- 税率:
- 10%
- 品番:
- EA970BC-4
- 学校版カタログ
- 非掲載
- 幼保版カタログ
- 非掲載
- 商品詳細
-
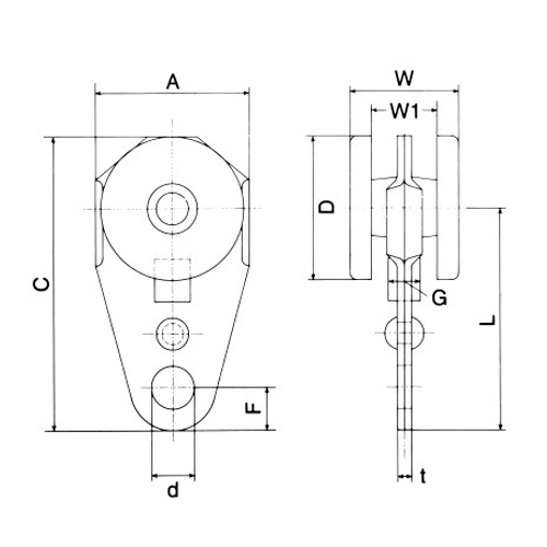
●メーカー…ヤボシ●型番…4TNLL●車材質…スチール(SPHC)●穴径…20mm●呼称…4号●サイズ…72×42×118(H)mm●耐荷重…90kg●本体材質…スチール(SPHC+オイルレスメタル)●サイズ(mm)…A:72、C:118、D:65、F:20、W:42、W1:26、L:85、G:13、d:20、t:6.4●クロメートメッキ仕上げ●参考在庫数・商品詳細・サイズ情報はメーカー(参考)URLからもご確認いただけます。 ●最小出荷単位: 1
- 本体サイズ
- お手数をお掛けいたしますが、下記参考URLよりご確認ください。
- 個装サイズ
- お手数をお掛けいたしますが、下記参考URLよりご確認ください。
メーカー希望小売価格
2,400
円(税抜)
販売価格
2,640
円(税込)
2,400 円 (税抜)













