Loading...
4号レール用ガイドローラードアハンガー用
- 商品コード:
- EG1515
- メーカー:
- JANコード:
- 4550061486375
- 税率:
- 10%
- 品番:
- EA970BF-4
- 学校版カタログ
- 非掲載
- 幼保版カタログ
- 非掲載
- 商品詳細
-
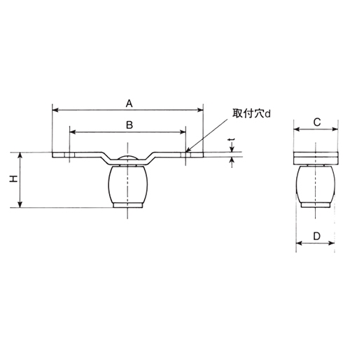
●メーカー…ヤボシ●型番…4ROL●呼称…4号●材質…スチール(クロメートメッキ)●ローラー材質…POM●サイズ(mm)…A:98、B:72、C:30、D:25、H:39、d:8、t:3.2●重量…130g●ドアハンガーの下部に取付け、ガイドレールに沿って走らせます。●4号ガイドレールに適合します。●サイズ(W×D×H)mm…98×30×39●参考在庫数・商品詳細・サイズ情報はメーカー(参考)URLからもご確認いただけます。 ●最小出荷単位: 1
- 本体サイズ
- お手数をお掛けいたしますが、下記参考URLよりご確認ください。
- 個装サイズ
- お手数をお掛けいたしますが、下記参考URLよりご確認ください。
メーカー希望小売価格
1,010
円(税抜)
販売価格
1,111
円(税込)
1,010 円 (税抜)













