Loading...
4号レール用ガイドローラー(POM/ボルト付)
- 商品コード:
- EG1518
- メーカー:
- JANコード:
- 4550061475966
- 税率:
- 10%
- 品番:
- EA970BF-54
- 学校版カタログ
- 非掲載
- 幼保版カタログ
- 非掲載
- 商品詳細
-
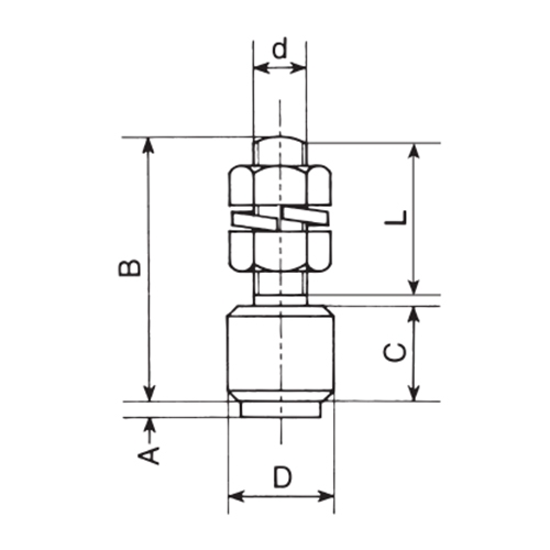
●メーカー…ヤボシ●型番…4BROL-J●呼称…4号●材質…本体:スチール(クロメートメッキ仕上)、ローラー:POM●ローラー材質…POM樹脂●サイズ(mm)…A:4.0、B:110、C:25、D:25、d:14、ねじ部L:85●重量…182g●ドアハンガー下部に取付け、ガイドレールに沿って走らせます。●4号ガイドレールに適合します。●参考在庫数・商品詳細・サイズ情報はメーカー(参考)URLからもご確認いただけます。 ●最小出荷単位: 1
- 本体サイズ
- お手数をお掛けいたしますが、下記参考URLよりご確認ください。
- 個装サイズ
- お手数をお掛けいたしますが、下記参考URLよりご確認ください。
メーカー希望小売価格
1,130
円(税抜)
販売価格
1,243
円(税込)
1,130 円 (税抜)













