Loading...
50mm キャスター(固定金具付・低床重荷重)
- 商品コード:
- EG2551
- メーカー:
- ナンシン
- JANコード:
- 4550061589519
- 税率:
- 10%
- 品番:
- EA986PR-1
- 学校版カタログ
- 非掲載
- 幼保版カタログ
- 非掲載
- 商品詳細
-
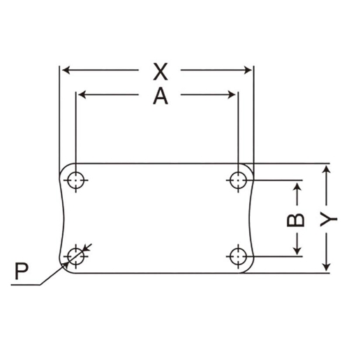
●メーカー…ナンシン●型番…KHH-50NHG●仕様…固定●車輪径(D)×幅…50×28mm●耐荷重(kg)…200●取付高(H)…68mm●穴径(P)…6.5mm●取付ピッチ(A×B)…66×36mm●プレートサイズ(X×Y)…80×50mm●材質…金具:ユニクロームメッキ仕上げ車輪:強化ナイロン●ベアリングなし●参考在庫数・商品詳細・サイズ情報はメーカー(参考)URLからもご確認いただけます。 ●最小出荷単位: 1
- 本体サイズ
- お手数をお掛けいたしますが、下記参考URLよりご確認ください。
- 個装サイズ
- お手数をお掛けいたしますが、下記参考URLよりご確認ください。
メーカー希望小売価格
1,150
円(税抜)
販売価格
1,265
円(税込)
1,150 円 (税抜)













