Loading...
65mm キャスター(自在金具付・低床重荷重)
- 商品コード:
- EG2555
- メーカー:
- ナンシン
- JANコード:
- 4550061589564
- 税率:
- 10%
- 品番:
- EA986PR-12
- 学校版カタログ
- 非掲載
- 幼保版カタログ
- 非掲載
- 商品詳細
-
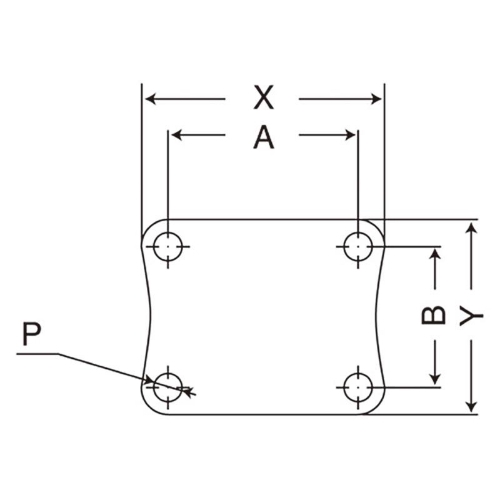
●メーカー…ナンシン●型番…THH-65NHB●仕様…自在ストッパー無●車輪径(D)×幅…65×38mm●耐荷重(kg)…300●取付高(H)…92mm●穴径(P)…11mm●取付ピッチ(A×B)…71×71mm●プレートサイズ(X×Y)…90×90mm●偏心(E)…25mm●材質…金具:ユニクロームメッキ仕上げ車輪:強化ナイロン(B入)●重量…0.97kg●ベアリング入●参考在庫数・商品詳細・サイズ情報はメーカー(参考)URLからもご確認いただけます。 ●最小出荷単位: 1
- 本体サイズ
- お手数をお掛けいたしますが、下記参考URLよりご確認ください。
- 個装サイズ
- お手数をお掛けいたしますが、下記参考URLよりご確認ください。
メーカー希望小売価格
3,530
円(税抜)
販売価格
3,883
円(税込)
3,530 円 (税抜)












![[L/260mm]手袋・耐油・制電(塩化ビニール)](https://d11w49g8ylcixs.cloudfront.net/upload/save_image/200/EJ1493_01_231102.jpg)
