Loading...
65キャスター自在金具低床重荷重ブレーキ付
- 商品コード:
- EG2558
- メーカー:
- ナンシン
- JANコード:
- 4550061589762
- 税率:
- 10%
- 品番:
- EA986PR-22
- 学校版カタログ
- 非掲載
- 幼保版カタログ
- 非掲載
- 商品詳細
-
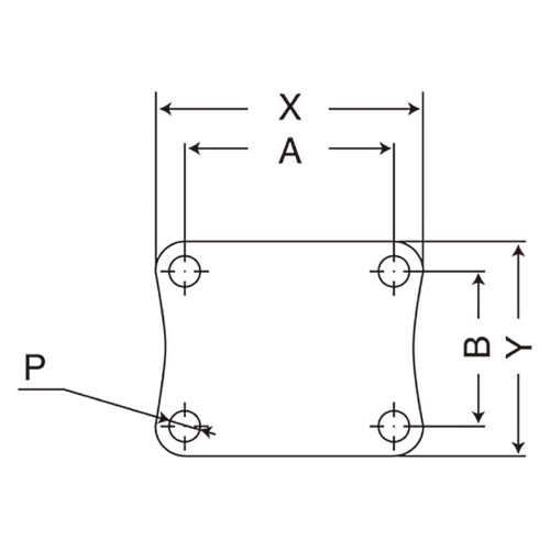
●メーカー…ナンシン●型番…THH-65NHB S-12●仕様…自在ストッパー付●車輪径(D)×幅…65×38mm●耐荷重(kg)…300●取付高(H)…92mm●穴径(P)…11mm●取付ピッチ(A×B)…71×71mm●プレートサイズ(X×Y)…90×90mm●偏心(E)…25mm●材質…金具:ユニクロームメッキ仕上げ車輪:強化ナイロン(B入)●重量…0.97kg●ベアリング入●参考在庫数・商品詳細・サイズ情報はメーカー(参考)URLからもご確認いただけます。 ●最小出荷単位: 1
- 本体サイズ
- お手数をお掛けいたしますが、下記参考URLよりご確認ください。
- 個装サイズ
- お手数をお掛けいたしますが、下記参考URLよりご確認ください。
メーカー希望小売価格
5,310
円(税抜)
販売価格
5,841
円(税込)
5,310 円 (税抜)













