Loading...
75mm キャスター(自在金具・ブレーキ付)
- 商品コード:
- EG2571
- メーカー:
- ナンシン
- JANコード:
- 4550061550113
- 税率:
- 10%
- 品番:
- EA986PT-242
- 学校版カタログ
- 非掲載
- 幼保版カタログ
- 非掲載
- 商品詳細
-
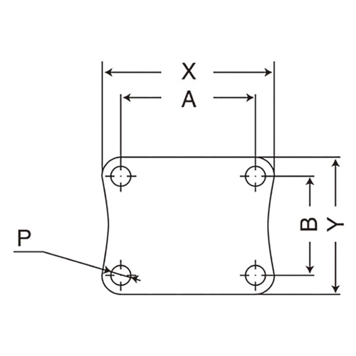
●メーカー…ナンシン●型番…TCM-75NM S1●仕様…自在ストッパー付●サイズ(mm)…車輪径×幅:75×25全高:90●耐荷重(kg)…65●材質…車輪:ナイロン・白金具:クロームメッキ仕上げ●穴径(P)…8.8mm●X×Y…70×58mm●A×B…55×42mm●参考在庫数・商品詳細・サイズ情報はメーカー(参考)URLからもご確認いただけます。 ●最小出荷単位: 1
- 本体サイズ
- お手数をお掛けいたしますが、下記参考URLよりご確認ください。
- 個装サイズ
- お手数をお掛けいたしますが、下記参考URLよりご確認ください。
メーカー希望小売価格
1,080
円(税抜)
販売価格
1,188
円(税込)
1,080 円 (税抜)













