Loading...
150mm キャスター(固定金具付)
- 商品コード:
- EG2575
- メーカー:
- ナンシン
- JANコード:
- 4550061542231
- 税率:
- 10%
- 品番:
- EA986PT-254
- 学校版カタログ
- 非掲載
- 幼保版カタログ
- 非掲載
- 商品詳細
-
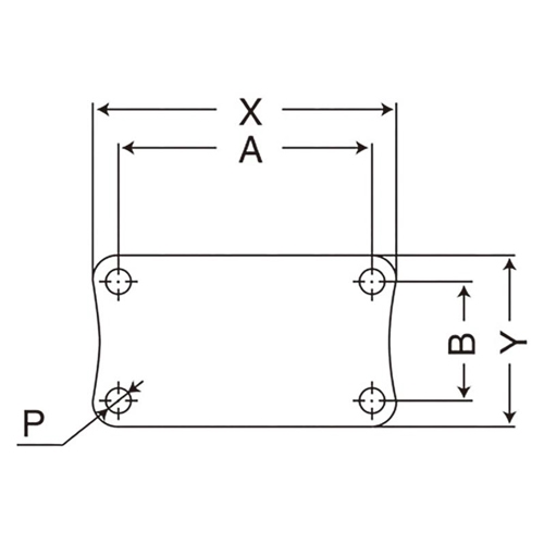
●メーカー…ナンシン●型番…SKM-150VU●仕様…固定●サイズ(mm)…車輪径×幅:150×42全高:198●耐荷重(kg)…300●材質…車輪:ウレタン(ベアリング入)金具:スチール(ユニクロームメッキ仕上げ)●穴径(P)…11.0mm●サイズ(X×Y)…138×90mm●サイズ(A×B)…100×56mm●各種搬送台車、メッシュパレット、各種工場設備の信頼性を重視するあらゆる機材に最適です。●ベアリング入●参考在庫数・商品詳細・サイズ情報はメーカー(参考)URLからもご確認いただけます。 ●最小出荷単位: 1
- 本体サイズ
- お手数をお掛けいたしますが、下記参考URLよりご確認ください。
- 個装サイズ
- お手数をお掛けいたしますが、下記参考URLよりご確認ください。
メーカー希望小売価格
4,290
円(税抜)
販売価格
4,719
円(税込)
4,290 円 (税抜)













