Loading...
65mm キャスター(固定金具・ステンレス製)
- 商品コード:
- EG2599
- メーカー:
- ナンシン
- JANコード:
- 4550061500675
- 税率:
- 10%
- 品番:
- EA986PT-501
- 学校版カタログ
- 非掲載
- 幼保版カタログ
- 非掲載
- 商品詳細
-
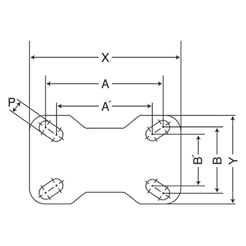
●メーカー…ナンシン●型番…SU-SKC-65NM●仕様…固定●耐荷重(kg)…71●用途…食器機械、厨房機器、化学・製薬機械、ワゴン、ドーリー台車等の搬送機器。●材質…金具:ステンレス、車輪:ナイロン●入数…1●サイズ(mm)…車輪径:65幅:25全高:85●穴径(P)…8.8mm●X×Y…70×47mm●A×B(A’×B’)…55×28mm●オールステンレスの金具を使ったキャスターです。錆を嫌うクリーンな環境での使用に最適です。●エラストマー車輪は耐水性、耐薬品性、対候性に優れ、ソフトにスムーズに走行する特徴があります。●参考在庫数・商品詳細・サイズ情報はメーカー(参考)URLからもご確認いただけます。 ●最小出荷単位: 1
- 本体サイズ
- お手数をお掛けいたしますが、下記参考URLよりご確認ください。
- 個装サイズ
- お手数をお掛けいたしますが、下記参考URLよりご確認ください。
メーカー希望小売価格
1,110
円(税抜)
販売価格
1,221
円(税込)
1,110 円 (税抜)













