Loading...
75mmキャスター自在金具ブレーキ付パイプ用
- 商品コード:
- EG2669
- メーカー:
- ナンシン
- JANコード:
- 4550061550830
- 税率:
- 10%
- 品番:
- EA986PT-862
- 学校版カタログ
- 非掲載
- 幼保版カタログ
- 非掲載
- 商品詳細
-
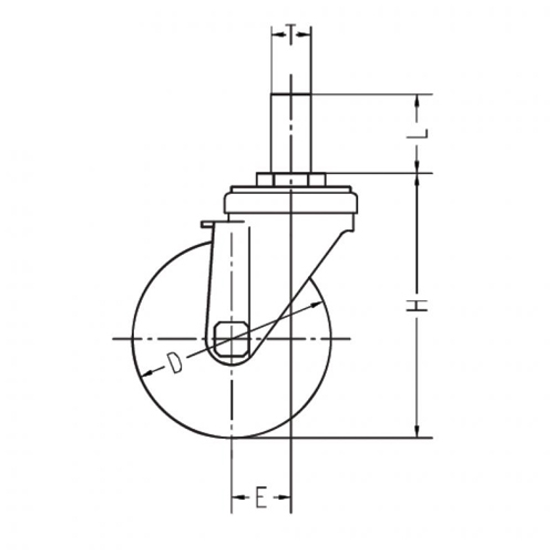
●メーカー…ナンシン●型番…GEL-75RL S-1●仕様…自在ストッパー付●サイズ(mm)…車輪径(D)×幅:75×20全高(H):97●耐荷重(kg)…40●材質…車輪:ゴム金具:クロームメッキ仕上げ●ステム長(L)…39mm●偏心(E)…30mm●ステム径(T)…22mm●パイプ用●参考在庫数・商品詳細・サイズ情報はメーカー(参考)URLからもご確認いただけます。 ●最小出荷単位: 1
- 本体サイズ
- お手数をお掛けいたしますが、下記参考URLよりご確認ください。
- 個装サイズ
- お手数をお掛けいたしますが、下記参考URLよりご確認ください。
メーカー希望小売価格
1,430
円(税抜)
販売価格
1,573
円(税込)
1,430 円 (税抜)













