Loading...
φ200mm スパイラルY管
- 商品コード:
- EG5422
- メーカー:
- JANコード:
- 4550061676929
- 税率:
- 10%
- 品番:
- EA997DE-33
- 学校版カタログ
- 非掲載
- 幼保版カタログ
- 非掲載
- 商品詳細
-
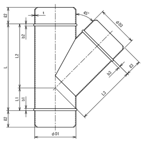
●材質…亜鉛鋼板●呼び径…200●サイズ(mm)…D1:200 D3:200 t:0.6L:420 L1:110 L2:310 L3:295●参考在庫数・商品詳細・サイズ情報はメーカー(参考)URLからもご確認いただけます。 ●最小出荷単位: 1
- 本体サイズ
- お手数をお掛けいたしますが、下記参考URLよりご確認ください。
- 個装サイズ
- お手数をお掛けいたしますが、下記参考URLよりご確認ください。
メーカー希望小売価格
6,130
円(税抜)
販売価格
6,743
円(税込)
6,130 円 (税抜)

![#75/2.0m 硬質塩化ビニール管[VP]](https://d11w49g8ylcixs.cloudfront.net/upload/save_image/200/EF1526_01_260113.jpg)











