Loading...
φ150mm スパイラルT管
- 商品コード:
- EG5424
- メーカー:
- JANコード:
- 4550061676943
- 税率:
- 10%
- 品番:
- EA997DE-42
- 学校版カタログ
- 非掲載
- 幼保版カタログ
- 非掲載
- 商品詳細
-
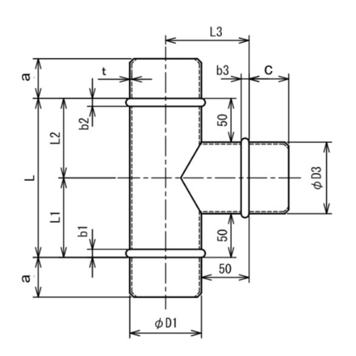
●材質…亜鉛鋼板●呼び径…150●サイズ(mm)…D1:150 D3:150 t:0.6 b1/b2:10 b3:10 L:250 L3:125 a:60 c:60 ●参考在庫数・商品詳細・サイズ情報はメーカー(参考)URLからもご確認いただけます。 ●最小出荷単位: 1
- 本体サイズ
- お手数をお掛けいたしますが、下記参考URLよりご確認ください。
- 個装サイズ
- お手数をお掛けいたしますが、下記参考URLよりご確認ください。
メーカー希望小売価格
3,280
円(税抜)
販売価格
3,608
円(税込)
3,280 円 (税抜)











