Loading...
φ200mm スパイラルT管
- 商品コード:
- EG5425
- メーカー:
- JANコード:
- 4550061676950
- 税率:
- 10%
- 品番:
- EA997DE-43
- 学校版カタログ
- 非掲載
- 幼保版カタログ
- 非掲載
- 商品詳細
-
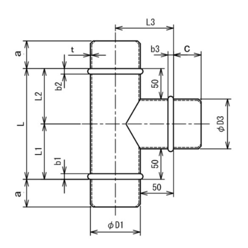
●材質…亜鉛鋼板●呼び径…200●サイズ(mm)…D1:200 D3:200 t:0.6 b1/b2:10 b3:10 L:300 L3:150 a:60 c:60 ●参考在庫数・商品詳細・サイズ情報はメーカー(参考)URLからもご確認いただけます。 ●最小出荷単位: 1
- 本体サイズ
- お手数をお掛けいたしますが、下記参考URLよりご確認ください。
- 個装サイズ
- お手数をお掛けいたしますが、下記参考URLよりご確認ください。
メーカー希望小売価格
4,500
円(税抜)
販売価格
4,950
円(税込)
4,500 円 (税抜)









