Loading...
9(15)x1800mm戸車用レール(V型/アルミ製/銀
- 商品コード:
- EG6752
- メーカー:
- JANコード:
- 4550061775288
- 税率:
- 10%
- 品番:
- EA986RH-101
- 学校版カタログ
- 非掲載
- 幼保版カタログ
- 非掲載
- 商品詳細
-
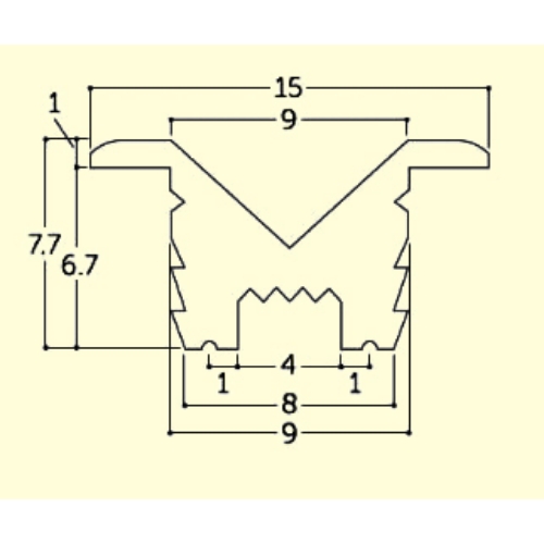
●材質…アルミ●フチ付きV型レール●サイズ(W×D×H)mm…15×7.7×1800●色…シルバー●参考在庫数・商品詳細・サイズ情報はメーカー(参考)URLからもご確認いただけます。 ●最小出荷単位: 1
- 本体サイズ
- お手数をお掛けいたしますが、下記参考URLよりご確認ください。
- 個装サイズ
- お手数をお掛けいたしますが、下記参考URLよりご確認ください。
メーカー希望小売価格
1,130
円(税抜)
販売価格
1,243
円(税込)
1,130 円 (税抜)













