Loading...
Rp1/2in xG1/2in 座付L型ソケット
- 商品コード:
- EH0140
- メーカー:
- カクダイ
- JANコード:
- 4550061625576
- 税率:
- 10%
- 品番:
- EA432MS-163A
- 学校版カタログ
- 非掲載
- 幼保版カタログ
- 非掲載
- 商品詳細
-
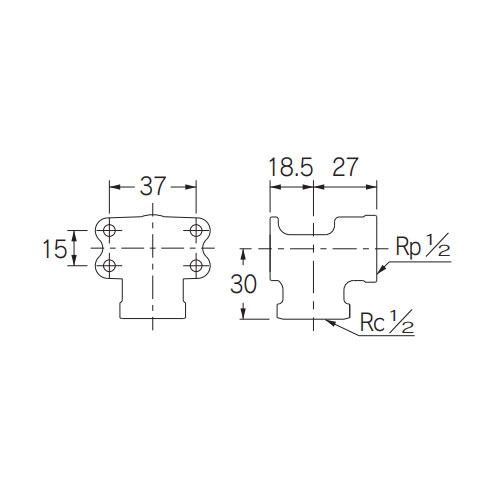
●メーカー…カクダイ●型番…646-801-13●呼…13●ねじ径…オス:G1/2’’メス:Rp1/2’’●全長…49mm●取付穴径…φ5mm●取付ピッチ…横:37mm縦:15mm●材質…青銅●座付水栓継手●ビスは付属していません。●表面のメッキ加工はありません。●参考在庫数・商品詳細・サイズ情報はメーカー(参考)URLからもご確認いただけます。 ●最小出荷単位: 1
- 本体サイズ
- お手数をお掛けいたしますが、下記参考URLよりご確認ください。
- 個装サイズ
- お手数をお掛けいたしますが、下記参考URLよりご確認ください。
メーカー希望小売価格
2,300
円(税抜)
販売価格
2,530
円(税込)
2,300 円 (税抜)










