Loading...
40Aポリエチレン管用立バンド(ステンレス製
- 商品コード:
- EH0448
- メーカー:
- JANコード:
- 4550061817452
- 税率:
- 10%
- 品番:
- EA440CS-140
- 学校版カタログ
- 非掲載
- 幼保版カタログ
- 非掲載
- 商品詳細
-
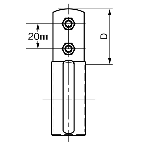
●メーカー…アカギ●型番…A23099-0042●径称…40A●適合管外径…50mm●サイズ…D:45mm●材質…SUS304●水道配水用ポリエチレン管用の立バンド。●10tゴム付。●参考在庫数・商品詳細・サイズ情報はメーカー(参考)URLからもご確認いただけます。 ●最小出荷単位: 1
- 本体サイズ
- お手数をお掛けいたしますが、下記参考URLよりご確認ください。
- 個装サイズ
- お手数をお掛けいたしますが、下記参考URLよりご確認ください。
メーカー希望小売価格
2,090
円(税抜)
販売価格
2,299
円(税込)
2,090
円 (税抜)













