Loading...
89.0mm遮音FDP立バンド
- 商品コード:
- EH0462
- メーカー:
- JANコード:
- 4550061817506
- 税率:
- 10%
- 品番:
- EA440CT-50
- 学校版カタログ
- 非掲載
- 幼保版カタログ
- 非掲載
- 商品詳細
-
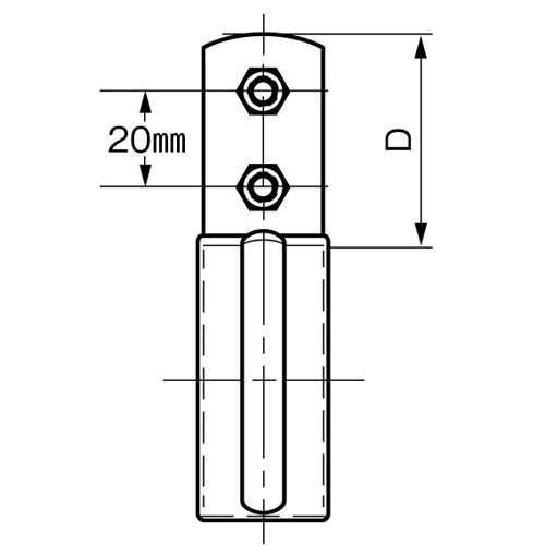
●メーカー…アカギ●型番…A22935-0035●径称…50A●適合管外径…89mm●サイズ…D:45mm●材質…スチール (電気亜鉛メッキ)●防音型耐火二層管用の防振補助立バンド。●10mmゴム付。●本製品のみでは振動伝達率を明確に軽減する効果はありません。●参考在庫数・商品詳細・サイズ情報はメーカー(参考)URLからもご確認いただけます。 ●最小出荷単位: 1
- 本体サイズ
- お手数をお掛けいたしますが、下記参考URLよりご確認ください。
- 個装サイズ
- お手数をお掛けいたしますが、下記参考URLよりご確認ください。
メーカー希望小売価格
1,930
円(税抜)
販売価格
2,123
円(税込)
1,930
円 (税抜)













