Loading...
65x95mmアイプレート(ステンレス製)
- 商品コード:
- EH2549
- メーカー:
- JANコード:
- 4550061769485
- 税率:
- 10%
- 品番:
- EA638DE-16
- 学校版カタログ
- 非掲載
- 幼保版カタログ
- 非掲載
- 商品詳細
-
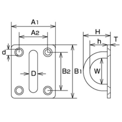
●材質…SUS304●穴径…10mm●線径…16mm●プレートサイズ…65×95mm●リング径…45mm●使用荷重…600kg●取付ねじ無し●参考在庫数・商品詳細・サイズ情報はメーカー(参考)URLからもご確認いただけます。 ●最小出荷単位: 1
- 本体サイズ
- お手数をお掛けいたしますが、下記参考URLよりご確認ください。
- 個装サイズ
- お手数をお掛けいたしますが、下記参考URLよりご確認ください。
メーカー希望小売価格
9,160
円(税抜)
販売価格
10,076
円(税込)
9,160 円 (税抜)













