Loading...
5mmアイプレート丸カン(ステンレス製)
- 商品コード:
- EH2836
- メーカー:
- JANコード:
- 4550061791585
- 税率:
- 10%
- 品番:
- EA638M-46
- 学校版カタログ
- 非掲載
- 幼保版カタログ
- 非掲載
- 商品詳細
-
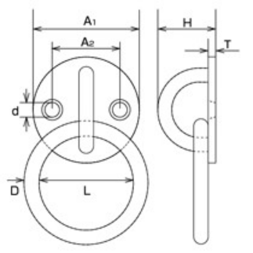
●材質…SUS304●サイズ(mm)…D:5、L:30、A1:33、A2:19、H:20、d:4.2、T:2.5●内径…30mm●穴径…4.2mm●使用荷重…15kg●取付ねじ無し●参考在庫数・商品詳細・サイズ情報はメーカー(参考)URLからもご確認いただけます。 ●最小出荷単位: 1
- 本体サイズ
- お手数をお掛けいたしますが、下記参考URLよりご確認ください。
- 個装サイズ
- お手数をお掛けいたしますが、下記参考URLよりご確認ください。
メーカー希望小売価格
1,250
円(税抜)
販売価格
1,375
円(税込)
1,250 円 (税抜)













