Loading...
溶接基準点ゲージ
- 商品コード:
- EH3228
- メーカー:
- 新潟精機
- JANコード:
- 4550061767306
- 税率:
- 10%
- 品番:
- EA719K-91
- 学校版カタログ
- 非掲載
- 幼保版カタログ
- 非掲載
- 商品詳細
-
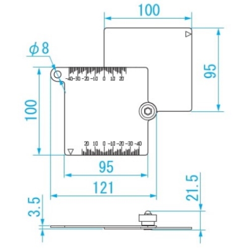
●メーカー…新潟精機●型番…SPR-E100●使用範囲…60°~120°(交点角度)●精度…±0.5mm●サイズ(W×D×H)mm…121×21.5×100●材質…ステンレス●重量…240g●用途…溶接された角からの長さ測定に●付属品…●ビニールケース●収納に便利なビニールケース付●すみ肉に隠れた角から、基準点(100mm)に位置を割り出すことができます。●参考在庫数・商品詳細・サイズ情報はメーカー(参考)URLからもご確認いただけます。 ●最小出荷単位: 1
- 本体サイズ
- お手数をお掛けいたしますが、下記参考URLよりご確認ください。
- 個装サイズ
- お手数をお掛けいたしますが、下記参考URLよりご確認ください。
メーカー希望小売価格
17,200
円(税抜)
販売価格
18,920
円(税込)
17,200 円 (税抜)










