Loading...
25.0mm熱収縮キャップ(端末保護用)
- 商品コード:
- EH9857
- メーカー:
- JANコード:
- 4550061795446
- 税率:
- 10%
- 品番:
- EA944B-44
- 学校版カタログ
- 非掲載
- 幼保版カタログ
- 非掲載
- 商品詳細
-
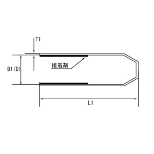
●メーカー…デンカエレクトロン●型番…HSEC-25●用途…電源ケーブルやコントロールケーブルなどの端末保護用の熱収縮終端止めキャップ●収縮前内径(最小)…25.0mm●収縮後内径(最大)…8.5mm●収縮後長さ…68.0mm●収縮後肉厚…2.5mm●適合ケーブル外径…10~18mm●収縮開始温度…120℃●使用温度範囲…-55~110℃●収縮率…50%(2:1)~33%(3:1)●耐電圧…1000V●材質…ポリオレフィン●カラー…黒●キャップの内側にホットメルト粘着剤がついているため、防水・防滴に適しています。●接着後も屈曲性を保持します。●オゾンやUV放射からの酸化防止にも効果的です。●耐圧1000Vのケーブルや通信ケーブルの使用に適しています。●RoHS10対応品●参考在庫数・商品詳細・サイズ情報はメーカー(参考)URLからもご確認いただけます。 ●最小出荷単位: 1
- 本体サイズ
- お手数をお掛けいたしますが、下記参考URLよりご確認ください。
- 個装サイズ
- お手数をお掛けいたしますが、下記参考URLよりご確認ください。
メーカー希望小売価格
315
円(税抜)
販売価格
346
円(税込)
315 円 (税抜)













