Loading...
S0.6x2mm精密機械用ナベ小ねじ(2本)
- 商品コード:
- EK1034
- メーカー:
- JANコード:
- 4550061699966
- 税率:
- 10%
- 品番:
- EA949AB-3
- 商品詳細
-
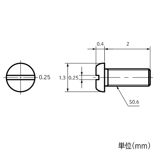
●メーカー…鍋屋バイテック(NBK)●型番…SNZS-S0.6-2●用途…上部スペースが限られた箇所に機器・装置のコンパクト化、小型精密機器に●サイズ…S0.6×2(ピッチ:0.15)●ネジの呼び…S0.6●最大締付けトルク…0.005N・m●材質…ステンレス(SUSXM7(SUS304相当))●重量…0.0031~0.0058g●入数…2本●頭部高さの低いなべ小ねじタイプ●精密機器用の微細ねじ●並目ねじ●-:特殊ナベ頭●参考在庫数・商品詳細・サイズ情報はメーカー(参考)URLからもご確認いただけます。 ●最小出荷単位: 1
- 本体サイズ
- お手数をお掛けいたしますが、下記参考URLよりご確認ください。
- 個装サイズ
- お手数をお掛けいたしますが、下記参考URLよりご確認ください。
メーカー希望小売価格
545
円(税抜)
販売価格
599
円(税込)
545 円 (税抜)











![T 7x 90mm [Bore Torx]キーレンチ](https://d11w49g8ylcixs.cloudfront.net/upload/save_image/200/EC6720_01_250324.jpg)

