Loading...
G1/4 inグリースカップ
- 商品コード:
- EK6070
- メーカー:
- JANコード:
- 4550061885956
- 税率:
- 10%
- 品番:
- EA991CW-4
- 学校版カタログ
- 非掲載
- 幼保版カタログ
- 非掲載
- 商品詳細
-
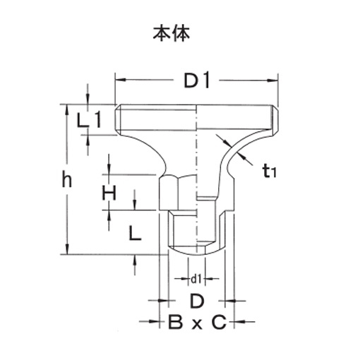
●材質…真鍮(金ニス塗装)●ねじサイズ…G1/4’’●入数…1個●胴径…50mm●参考在庫数・商品詳細・サイズ情報はメーカー(参考)URLからもご確認いただけます。 ●最小出荷単位: 1
- 本体サイズ
- お手数をお掛けいたしますが、下記参考URLよりご確認ください。
- 個装サイズ
- お手数をお掛けいたしますが、下記参考URLよりご確認ください。
メーカー希望小売価格
3,160
円(税抜)
販売価格
3,476
円(税込)
3,160 円 (税抜)













