Loading...
R3/8 inグリースニップル(ボタンヘッド10個
- 商品コード:
- EK6080
- メーカー:
- JANコード:
- 4550061886052
- 税率:
- 10%
- 品番:
- EA991CY-3
- 学校版カタログ
- 非掲載
- 幼保版カタログ
- 非掲載
- 商品詳細
-
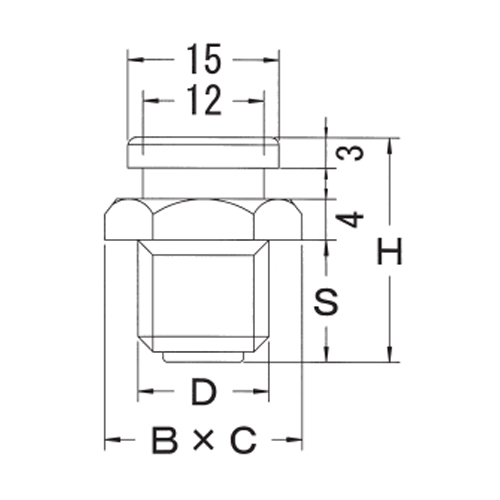
●材質…真鍮(ニッケルメッキ)●ねじサイズ…R3/8’’●六角対辺…17mm●全長…23mm●入数…10個●ボタン径…15mm●参考在庫数・商品詳細・サイズ情報はメーカー(参考)URLからもご確認いただけます。 ●最小出荷単位: 1
- 本体サイズ
- お手数をお掛けいたしますが、下記参考URLよりご確認ください。
- 個装サイズ
- お手数をお掛けいたしますが、下記参考URLよりご確認ください。
メーカー希望小売価格
3,060
円(税抜)
販売価格
3,366
円(税込)
3,060 円 (税抜)













