Loading...
パイプジョイント(φ100/ゴム/コーナー
- 商品コード:
- EM4259
- メーカー:
- JANコード:
- 4518340286429
- 税率:
- 10%
- 品番:
- EA948TF-118A
- 学校版カタログ
- 非掲載
- 幼保版カタログ
- 非掲載
- 商品詳細
-
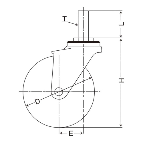
●耐荷重(kg)…50●車輪径(mm)…100●取付高(mm)…126(キャスターのみ)●材質…パイプジョイント:ダクタイル(電気亜鉛メッキ処理)キャスター金具:スチール(ユニクロメッキ)●仕様…自在ストッパー付●サイズ(mm)…D:100、W:25、H:126、T:M12×P1.75、L:25、E:32●車輪材質…ゴム●コーナー型●単管パイプφ48.6mm用●組立時は19mm薄口スパナをご利用下さい。●※耐荷重は保証値ではなく参考値となっておりますので、ご了承の上、ご使用下さい。●参考在庫数・商品詳細・サイズ情報はメーカー(参考)URLからもご確認いただけます。 ●最小出荷単位: 1
- 本体サイズ
- お手数をお掛けいたしますが、下記参考URLよりご確認ください。
- 個装サイズ
- お手数をお掛けいたしますが、下記参考URLよりご確認ください。
メーカー希望小売価格
6,120
円(税抜)
販売価格
6,732
円(税込)
6,120 円 (税抜)













