Loading...
パイプジョイント(φ150/ゴム/コーナー)
- 商品コード:
- EM4263
- メーカー:
- JANコード:
- 4518340286436
- 税率:
- 10%
- 品番:
- EA948TF-128A
- 学校版カタログ
- 非掲載
- 幼保版カタログ
- 非掲載
- 商品詳細
-
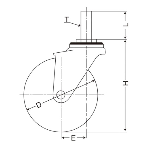
●耐荷重(kg)…163●車輪径(mm)…150●取付高(mm)…194(キャスターのみ)●材質…パイプジョイント:ダクタイル(電気亜鉛メッキ処理)キャスター金具:スチール(ユニクロメッキ)●仕様…自在ストッパー付●サイズ(mm)…D:150、W:40、H:194、T:M20×P2.5、L:40、E:40●車輪材質…ゴム●コーナー型●単管パイプφ48.6mm用●組立時は30mm薄口スパナをご利用下さい。●※耐荷重は保証値ではなく参考値となっておりますので、ご了承の上、ご使用下さい。●参考在庫数・商品詳細・サイズ情報はメーカー(参考)URLからもご確認いただけます。 ●最小出荷単位: 1
- 本体サイズ
- お手数をお掛けいたしますが、下記参考URLよりご確認ください。
- 個装サイズ
- お手数をお掛けいたしますが、下記参考URLよりご確認ください。
メーカー希望小売価格
10,500
円(税抜)
販売価格
11,550
円(税込)
10,500 円 (税抜)













