Loading...
35x400mm/130x130mm 自在ジャッキベース
- 商品コード:
- EM8822
- メーカー:
- JANコード:
- 4518340490864
- 税率:
- 10%
- 品番:
- EA948TC-31
- 学校版カタログ
- 非掲載
- 幼保版カタログ
- 非掲載
- 商品詳細
-
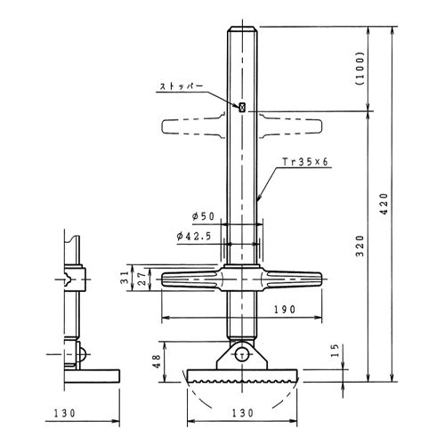
●ねじ径…35mm ●高さ…400mm ●ベースサイズ…130×130mm ●適用パイプ径…φ42.7mm、φ48.6mm ●耐荷重…500kg ●重量…3.7kg ●傾斜面でも使用可能なチルトタイプ ●ベースは設置面の保護と滑り止めのためゴムでしっかりコーティングされています。 ●参考在庫数・商品詳細・サイズ情報はメーカー(参考)URLからもご確認いただけます。 ●最小出荷単位: 1
- 本体サイズ
- お手数をお掛けいたしますが、下記参考URLよりご確認ください。
- 個装サイズ
- お手数をお掛けいたしますが、下記参考URLよりご確認ください。
メーカー希望小売価格
7,290
円(税抜)
販売価格
8,019
円(税込)
7,290 円 (税抜)













