Loading...
R 1 inxNPT 1 in変換六角ニップル(SUS製)
- 商品コード:
- EN0009
- メーカー:
- JANコード:
- 4518340611719
- 税率:
- 10%
- 品番:
- EA141AD-286
- 学校版カタログ
- 非掲載
- 幼保版カタログ
- 非掲載
- 商品詳細
-
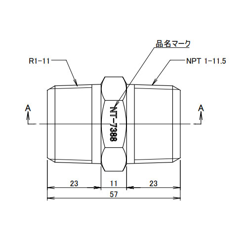
●メーカー…アソー(ASOH) ●型番…NT-7388 ●ねじ径…R1’’×NPT1’’ ●内径…20mm ●六角対辺…35mm ●全長…57mm ●使用圧力…6.9MPa以下 ●使用温度範囲…-50度~150度 ●材質…SUS304 ●ねじを締めやすく加工されたニップル ●ねじの規格の変換(RねじからNPTねじ)に使用 ●六角がついているためスパナ掛けも容易で、しっかりと配管することができます。 ●参考在庫数・商品詳細・サイズ情報はメーカー(参考)URLからもご確認いただけます。 ●最小出荷単位: 1
- 本体サイズ
- お手数をお掛けいたしますが、下記参考URLよりご確認ください。
- 個装サイズ
- お手数をお掛けいたしますが、下記参考URLよりご確認ください。
メーカー希望小売価格
6,630
円(税抜)
販売価格
7,293
円(税込)
6,630 円 (税抜)













