Loading...
3/8DRx10mm インパクトソケット 薄肉
- 商品コード:
- ED5082
- メーカー:
- JANコード:
- 4550061308837
- 税率:
- 10%
- 品番:
- EA164CF-10
- 学校版カタログ
- 非掲載
- 幼保版カタログ
- 非掲載
- 商品詳細
-
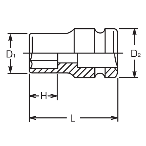
●メーカー…コーケン(Ko-ken)●型番…13401M-10●対辺(mm)…10●外径(mm)…14.8●全長(mm)…32●差込角…3/8’’●薄肉仕様●参考在庫数・商品詳細・サイズ情報はメーカー(参考)URLからもご確認いただけます。 ●最小出荷単位: 1
- 本体サイズ
- お手数をお掛けいたしますが、下記参考URLよりご確認ください。
- 個装サイズ
- お手数をお掛けいたしますが、下記参考URLよりご確認ください。
メーカー希望小売価格
1,010
円(税抜)
販売価格
1,111
円(税込)
1,010 円 (税抜)








