Loading...
1/2DRx29mm impactソケット(ピン・リング付)
- 商品コード:
- EE8657
- メーカー:
- JANコード:
- 4550061604458
- 税率:
- 10%
- 品番:
- EA164KE-29
- 学校版カタログ
- 非掲載
- 幼保版カタログ
- 非掲載
- 商品詳細
-
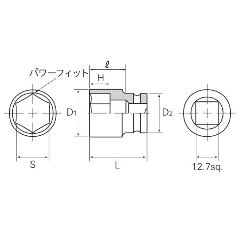
●メーカー…京都機械工具(KTC)●型番…BP4-29P●差込角…1/2’’●対辺(mm)…29●ソケット部外径(d1;mm)…43●差し込み部外径(d2;mm)…29●深さ(mm)…19.5(最大深さ:28.5)●全長(L;mm)…46.5●AMBAC(アンバック)システム…独自のピン抜け防止機構で作業の安全性を向上●ピン・リング標準付属●参考在庫数・商品詳細・サイズ情報はメーカー(参考)URLからもご確認いただけます。 ●最小出荷単位: 1
- 本体サイズ
- お手数をお掛けいたしますが、下記参考URLよりご確認ください。
- 個装サイズ
- お手数をお掛けいたしますが、下記参考URLよりご確認ください。
メーカー希望小売価格
2,470
円(税抜)
販売価格
2,717
円(税込)
2,470 円 (税抜)








