Loading...
3/8DRx13mm[マグネット付]ディープソケット
- 商品コード:
- EF4563
- メーカー:
- JANコード:
- 4550061510148
- 税率:
- 10%
- 品番:
- EA618PM-313
- 学校版カタログ
- 非掲載
- 幼保版カタログ
- 非掲載
- 商品詳細
-
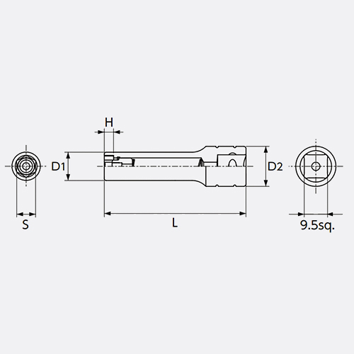
●メーカー…京都機械工具(KTC)●型番…B3L-13MGA●差込角(sq)…9.5(3/8’’)●サイズ…13mm●全長…70mm●外径…18.7mm●重量…99g●口径部に内蔵されているマグネットで、ボルト・ナットの落下を防止します。●マグネット部がスライドするため、座金付きボルトや薄いナット、スタッドボルトにも対応します。●強力な磁力のネオジム磁石を採用●参考在庫数・商品詳細・サイズ情報はメーカー(参考)URLからもご確認いただけます。 ●最小出荷単位: 1
- 本体サイズ
- お手数をお掛けいたしますが、下記参考URLよりご確認ください。
- 個装サイズ
- お手数をお掛けいたしますが、下記参考URLよりご確認ください。
メーカー希望小売価格
2,820
円(税抜)
販売価格
3,102
円(税込)
2,820 円 (税抜)








![3/8DRx13mm[マグネット付]ディープソケット](https://d11w49g8ylcixs.cloudfront.net/upload/save_image/200/EF4563_01_260113.jpg)