Loading...
10mm/0.01/58mm ダイアルゲージ
- 商品コード:
- EF5675
- メーカー:
- 新潟精機
- JANコード:
- 4550061429808
- 税率:
- 10%
- 品番:
- EA725MA-8A
- 学校版カタログ
- 非掲載
- 幼保版カタログ
- 非掲載
- 商品詳細
-
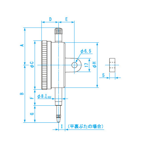
●メーカー…新潟精機●型番…WDI-10KD●ダイヤル径(mm)…58●全長(mm)…112●目量(mm)…0.01●測定範囲(mm)…0~10●目盛仕様…±0~100●取付軸径…φ8mm●測定子の長さ…21mm●サイズ(mm)…A:43.5、B:68.5、C:58、D:16.5、E:19、F:18.5、G:21、H:53.5、I:8●材質…本体:スチール測定子先端:鋼●戻り誤差…5μm●測定力…1.5N以下●長針1回転…1mm●1/10回転隣接誤差…8μm●全測定範囲指示誤差…±20μm●繰返し精密度…5μm●重量…180g●用途…平面の凹凸、工作物の取り付けの良否、軸の振れ、直角度などの変位測定に。●付属品…裏ふた(平タイプ・耳金付タイプ)2種類●リミット針を装着●最小単位の目盛が見やすい、階段状目盛●軸受部に宝石軸受を使用しています。●精度保証のため、検査時の数値を記した検査表付です。●目盛板は緑色です。●参考在庫数・商品詳細・サイズ情報はメーカー(参考)URLからもご確認いただけます。 ●最小出荷単位: 1
- 本体サイズ
- お手数をお掛けいたしますが、下記参考URLよりご確認ください。
- 個装サイズ
- お手数をお掛けいたしますが、下記参考URLよりご確認ください。
メーカー希望小売価格
6,600
円(税抜)
販売価格
7,260
円(税込)
6,600 円 (税抜)













