Loading...
M12x25.0mm [焼入]平ワッシャー
- 商品コード:
- EG0086
- メーカー:
- JANコード:
- 4550061505748
- 税率:
- 10%
- 品番:
- EA949HM-121
- 学校版カタログ
- 非掲載
- 幼保版カタログ
- 非掲載
- 商品詳細
-
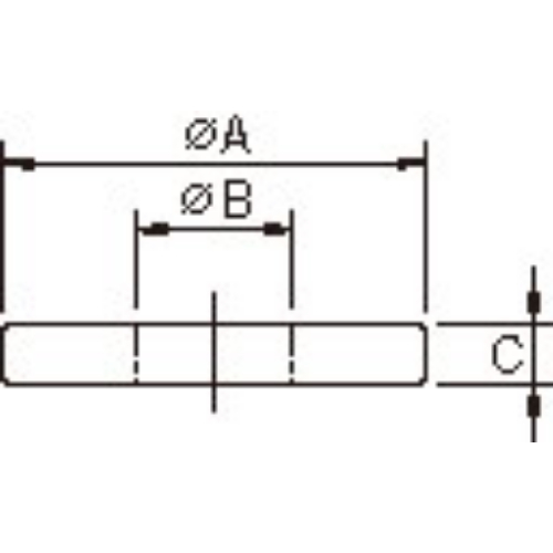
●メーカー…イマオコーポレーション●型番…BJ743-12002●材質…スチール(S45C)●適合ねじ…M12●サイズ(mm)…A:25B:13C:4●入数…1個●処理…焼入焼戻、黒染め●重量…11g●プレート面の保護として●ネジのサイズダウン時のカラーとして●参考在庫数・商品詳細・サイズ情報はメーカー(参考)URLからもご確認いただけます。 ●最小出荷単位: 1
- 本体サイズ
- お手数をお掛けいたしますが、下記参考URLよりご確認ください。
- 個装サイズ
- お手数をお掛けいたしますが、下記参考URLよりご確認ください。
メーカー希望小売価格
440
円(税抜)
販売価格
484
円(税込)
440 円 (税抜)



![M12x25.0mm [焼入]平ワッシャー](https://d11w49g8ylcixs.cloudfront.net/upload/save_image/200/EG0086_01_251107.jpg)